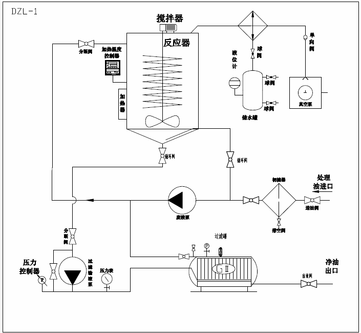
真空滤油机的结构图
真空滤油机的事情原理:
真空滤油机又称真空高效滤油机,滤油机,真空净油机。。。。。。。是一款用途普遍除杂除水有用的装备。。。。。。。海内电厂、电站、电力公司、冶金、石化、机械、交通、铁路等行业主要过滤装备。。。。。。。真空净油机是凭证水和油的沸点差别原理而设计的,,,,,它由真空加热罐精滤器、冷凝器、初滤器、水箱、真空泵、排油泵以及电气柜组成的。。。。。。。真空泵将真空罐内的空气抽出形成真空,,,,,在大气压强的作用下,,,,,经由有入口管道进入初滤器,,,,,扫除较大的颗粒,,,,,然后进入加热罐内,,,,,经由加热等40~75℃的油通过自动油漂阀。。。。。。。经由加热后的油液通过喷翼飞快旋转将油疏散成半雾状,,,,,油中的水份急速蒸发成水蒸气并一连被真空泵吸入冷凝器内。。。。。。。进入冷凝器的水蒸气经冷却后再返原成水放出,,,,,在真空加热罐内的油液,,,,,被排油泵排入精滤器通过滤油纸或滤芯将微粒杂质过滤出来,,,,,从而完成真空滤油机迅速除去油中杂质、水份、气体的全历程,,,,,使清洁的油从出油处倾轧机外。。。。。。。
真空滤油机的结构图:
真空滤油机结构重大,,,,,需要几十个办法才华获得清洁的油品。。。。。。。

mg不朽情缘过滤装备种真空滤油机包括双级真空滤油机和单级真空滤油机。。。。。。。????晒吮溲蛊饔汀⒁貉褂偷热蠡。。。。。。。随着工业手艺的提升真空滤油机对水和杂质得过滤越来越高,,,,,可达98%以上。。。。。。。
6
免责说明:以上展示内容泉源于相助媒体、企业机构、网友提供或网络网络整理,,,,,版权争议与本站无关,,,,,文章涉及看法与看法不代表mg不朽情缘滤油机网官方立。。。。。。。,,,,请读者仅做参考。。。。。。。本文接待转载,,,,,转载请说明来由。。。。。。。若您以为本文侵占了您的版权信息,,,,,或您发明该内容有任何涉及有违公德、冒犯执法等违法信息,,,,,请您连忙联系mg不朽情缘实时修正或删除。。。。。。。

