mg不朽情缘

润滑油高粘度真空滤油机

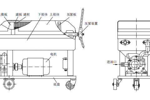
高粘度润滑油真空滤油机

重庆mg不朽情缘过滤装备制造有限公司生产的润滑油高粘度真空滤油机用于机械、冶金、矿山、石油、化工、电力、铁路等领域,,,,,,,对种种高粘度润滑油品净化。。。。。。。能快速脱除油液中的水分、杂质及挥发物(如氨气)等有害成份,,,,,,,提高油液品质,,,,,,,恢复其使用性能。。。。。。。本机即可在线运行,,,,,,,也可通过预热油箱,,,,,,,对油品作单独处置惩罚,,,,,,,知足用户对油品的种种处置惩罚要求。。。。。。。

高粘度润滑油真空滤油机特点

1,,,,,,,接纳特制油泵输运油液。。。。。。。
2,,,,,,,奇异的脱气、脱水系统,,,,,,,迅速疏散油中的水分、气体。。。。。。。
3,,,,,,,多级过滤逐级加密,,,,,,,纳污容量大,,,,,,,滤芯使用寿命长,,,,,,,并设置滤芯污染度自动检测功效。。。。。。。
4,,,,,,,加热系统接纳优化的管道设计,,,,,,,确保加热匀称,,,,,,,油温稳固。。。。。。。
5,,,,,,,自动恒温控制系统、自动液位控制系统、自动消泡控制系统、自动压力;;;;;;は低骋约坝乓斓纳柚茫,,,,包管装备高性能运行。。。。。。。
6,,,,,,,在线滤油,,,,,,,可无人值守,,,,,,,运行状态由指示灯显示。。。。。。。
7,,,,,,,本机人性化设计,,,,,,,低噪音,,,,,,,操作简朴,,,,,,,维护距离长,,,,,,,低能耗,,,,,,,节约运行本钱。。。。。。。
8,,,,,,, 设有滤芯替换指标,,,,,,,滤芯饱和;;;;;;爸。。。。。。。
9,,,,,,, 设有泄电、过载负荷;;;;;;爸茫,,,,;;;;;;さ缁。。。。。。。
10,,,,,,, 设有相序,,,,,,,缺相;;;;;;すπВ,,,,突然;;;;;;寰部刂。。。。。。。

高粘度润滑油真空滤油机可选模式

1,,,,,,, 凭证用户的需要可选配PLC智能控制,,,,,,,触摸屏操作,,,,,,,并设动态显示。。。。。。。
2,,,,,,,选配在线式水分检测仪。。。。。。。
3,,,,,,,整机结构可制作成移动式、牢靠式、拖车式(半轴或双轴)。。。。。。。
4,,,,,,,可制作玉成关闭式、遮檐式、帆布蓬、洞开式。。。。。。。
5,,,,,,, 可选配水环式真空泵

高粘度润滑油真空滤油机手艺参考:

none

 

 

相关产品

联系mg不朽情缘

13452372176

可微信在线咨询

事情时间:周一至周五,,,,,,,9:30-18:30,,,,,,,节沐日休息

QR code
【网站地图】【sitemap】